Keeper, HT Steel, OEM Replacement, Honda®, TRX™ 450R / ER, 2006-2014
Keeper, HT Steel, OEM Replacement, Honda®, TRX™ 450R / ER, 2006-2014
SKU:30-30655
Regular price
$12.62 USD
Regular price
$12.62 USD
Sale price
$12.62 USD
Unit price
per
Couldn't load pickup availability
KPMI® manufactures keepers from high tensile strength H. T. Steel.
Close attention to details such as taper angle, bead location, ID, OD, radius dimension of bead style keepers, and width of square groove style keepers insure proper, repeatable fitment and assembly locations.
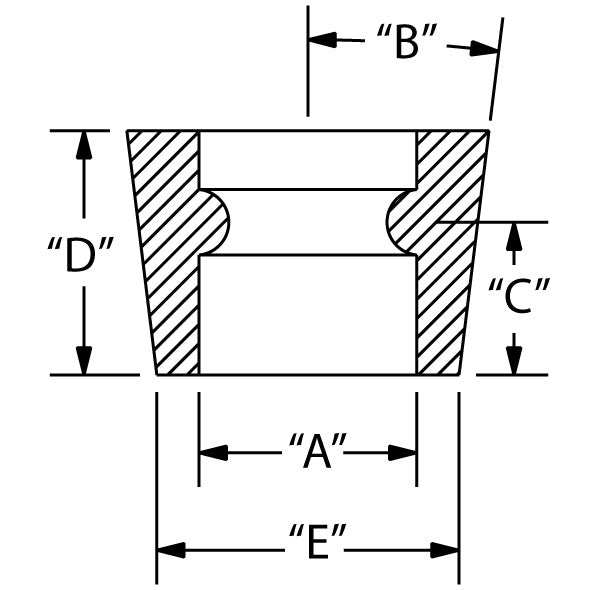
Type | Intake/ Exhaust |
Keeper Style | Single Radius Bead |
Material | H.T. Steel |
Quantity | 2 Pr. - Intake Keepers / 2 Pr. - Exhaust Keepers |
Intake Stem Diameter "A" | 0.215" |
Intake Keeper Angle "B" | 7.0º |
Intake Bead Height "C" | 0.179" |
Intake Overall Length "D" | 0.214" |
Intake Minor Diameter "E" | 0.262" |
Exhaust Stem Diameter "A" | 0.196" |
Exhaust Keeper Angle "B" | 7.0º |
Exhaust Bead Height "C" | 0.170" |
Exhaust Overall Length "D" | 0.205" |
Exhaust Minor Diameter "E" | 0.236" |
Note | The bead height is referenced from the minor diameter of the keeper to the center of the bead. |
Unique Identifier No. | FR327789_01GAUS |

