Keeper, HT Steel, 0.215" Stem x 10.0°, Honda®, CB™ 350F/ 400F, 1972-1977
Keeper, HT Steel, 0.215" Stem x 10.0°, Honda®, CB™ 350F/ 400F, 1972-1977
SKU:51002-4
Regular price
$33.30 USD
Regular price
$33.30 USD
Sale price
$33.30 USD
Unit price
per
Couldn't load pickup availability
All KPMI® keepers are single-point machined from high tensile strength billet material (with the exception of forged styles). What this means is that each keeper is machined from billet high tensile strength material. After machining, the keepers are split, tumbled and then heat treated. At KPMI® we pay close attention to the surface finish and tolerance of; all diameters, taper angle, and bead location. This type of detail insures repeatability you can count on.
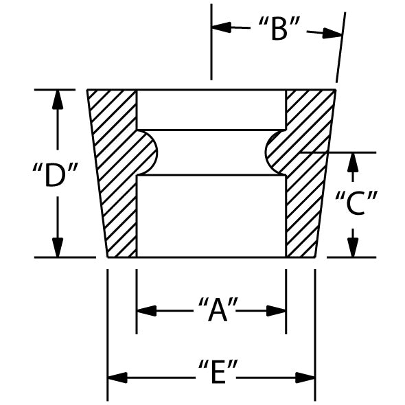
| Keeper Style | Single Radius Bead |
| Quantity | Various |
| Stem Diameter "A" | 0.215" |
| Keeper Angle "B" | 10.0º |
| Bead Height "C" | 0.076" |
| Overall Length "D" | 0.210” |
| Minor Diameter "E" | 0.285” |
| Rep. HD® OEM P/N | --- |
| Note | The bead height is referenced from the minor diameter of the keeper to the center of the bead. |
| Unique Identifier No. | FR327789_01GAUS |
